½ºÇÁ¸µÇÁ·Îºê
| ÄὺÇÁ¸µÇÁ·Îºê [VM½Ã¸®Áî] (£±ÆÑ1°³ÀÔ) |
 |
| ¡á»ç¿ë¿¹ |
 |
- ½ºÇÁ¸µ¿¡ ÀÇÇÏ¿© ÇÉÀÌ µé°í³ª´Â ÇÉÀÔ´Ï´Ù¡£
- ÇÁ¸°Æ®±âÆÇ°ú ÇÁ¸°Æ®±âÆÇÀÇ Á¢¼Ó¿¡ »ç¿ëÇØ ÁֽʽÿÀ¡£
- Á¼Àº Àå¼Ò¿¡¼ÀÇ ½ÅÈ£ °ËÃâ½Ã¡¢ÇÁ¸°Æ®±âÆÇÀÇ Ã¼Å©µî¿¡µµ »ç¿ë °¡´ÉÇÕ´Ï´Ù¡£
- ÀçÁú
- ¼öÁöºÎ
- £Ð£Ð£ÓÈæ»ö(UL94V-0)・・・・・・£Ö£Í££²½Ã¸®Áî
- £Ð£Â£ÔÈæ»ö(UL94V-0)・・・・・・£Ö£Í££³½Ã¸®Áî
- ÇÁ·Îºê・・・・・・Ȳµ¿¡¢´ÏÄ̱â¹Ý±Ýµµ±Ý
- Á¤°ÝÀü·ù・・・・・・£²A
- ½ºÇÁ¸µ¿¡ Àü·ù°¡ Èê·ÈÀ» ¶§
- VM-2・・・0.3A
- VM-3-1・・・0.5A
- Àý¿¬ÀúÇ×・・・・・・£µ£°£°M¥ØÀÌ»ó
- Àý¿¬³»¾Ð・・・・・・£±,£°£°£°V £Á£Ã,£Ä£Ã£±ºÐ°£
- Á¢ÃËÀúÇ×・・・・・・£µ£°m¥ØÀÌÇÏ
- µ¿ÀÛ·Â・・・・・・£°£®£µmm½ºÆ®·ÎÅ©·Î £±£°£°g
- ³»±¸·Â・・・・・・£±£°,£°£°£°È¸
- »ç¿ë¿Âµµ¹üÀ§・・・・・・£2£°¢¦£«£±00¡É
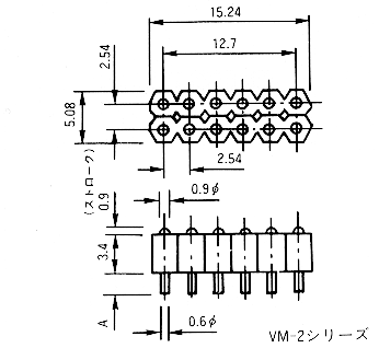
| ǰ¹ø | A(mm) | ÀûÇÕPCÆÇÆÇµÎ²² |
| VM-2-1 | 1.8 | 0.8¢¦1.0t |
| VM-2-2 | 3.1 | 1.2¢¦2.0t |
PDFÆÄÀÏ(32KB)