Ç¥¸é½ÇÀå¿ë£¨½ºÆäÀ̼£©
ÀÚµ¿»ðÀÔ±â¿ë Ç¥¸é½ÇÀå¿ë ½ºÆäÀ̼
[SW½Ã¸®Áî] (M4, M3, M2.6, M2) |
£Ð£Á£Ô.£Ð |
- Ĩ¸¶¿îÅÍ¿¡ °É ¼ö ÀÖ´Â ½ºÆäÀ̼ ÀÔ´Ï´Ù¡£
- Ç¥¸é½ÇÀå±âÆÇ¿¡ ÃëºÎ¸®Ç÷ηΠ³³¶«ÇÏ¿© ÁֽʽÿÀ¡£
- ¾Æ·¡ÀÇ µ¹±â´Â À§Ä¡ÀÌÅ»À» ¹æÁöÇϱâ À§ÇØ ºÙ¿©³õ¾Ò½À´Ï´Ù¡£
- ÇÁ¸°Æ®±âÆÇÀÇ 2´Ü ÀûÀç¡¢ÆÄ³ÚÀÇ ÃëºÎµî¡¢¿©·¯ °÷¿¡ »ç¿ë °¡´ÉÇÕ´Ï´Ù¡£
- Àü·ù¸¦ È긮´Â °Íµµ °¡´ÉÇÕ´Ï´Ù¡£
- ÀçÁú・・・・・・Ȳµ¿
- ó¸®・・・・・・´ÏÄ̼ºÁÖ¼®µµ±Ý
- Àü·ù¿ë·®
- £´£Ó£×・・・・・£´£°A
- £³£Ó£×・・・・・£³£°A
- £²£®£¶£Ó£×・・・£²£°A
- £²£Ó£×・・・・・£±£°A
- Ãßõ·£µå°æ ・・C¥õ
- £´£Ó£×・・・・・£¹
- £³£Ó£×・・・・・£·
- £²£®£¶£Ó£×・・・£¶
- £²£Ó£×・・・・・£µ
- Ãßõ Å©¸²³³¶« µÎ²²・・・150¢¦200¥ì
ºóÆ´¾øÀÌ ¹ß¶ó ÁֽʽÿÀ¡£(£Ô£ÈÀ» ºüÁ®³ª°¡Áö ¾Êµµ·Ï)
- ü°áÅä¿ÀÅ©
- £´£Ó£×・・・・・£¶kg・f・cmÀÌÇÏ
- £³£Ó£×・・・・・£µkg・f・cmÀÌÇÏ
- £²£®£¶£Ó£×・・・£´kg・f・cmÀÌÇÏ
- £²£Ó£×・・・・・£²kg・f・cmÀÌÇÏ
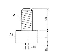
| ǰ¹ø | L | A | M |
Æ÷Àå»óÅ |
Å×ÀÌÇÁÄ©¼ö£¨£í£í£© |
| Æø | À̼ÛÇÇÄ¡ | C | D |
| 4SW-1 | 1 | 8 | M4 |
³¹°³(1ÆÑ100Üâìý) |
¡¡ | ¡¡ | ¡¡ | ¡¡ |
| 4SW-1-T | 1 | 8 | M4 |
¸±(1¸±300Üâìý) |
24 | 20 | 9.1 | 6.1 |
| 4SW-2 | 2 | 8 | M4 |
³¹°³(1ÆÑ100Üâìý) |
¡¡ | ¡¡ | ¡¡ | ¡¡ |
| 4SW-2-T | 2 | 8 | M4 |
¸±(1¸±300Üâìý) |
24 | 20 | 10.1 | 6.7 |
| 4SW-3 | 3 | 8 | M4 |
³¹°³(1ÆÑ100Üâìý) |
¡¡ | ¡¡ | ¡¡ | ¡¡ |
| 4SW-4 | 4 | 8 | M4 |
³¹°³(1ÆÑ100Üâìý) |
¡¡ | ¡¡ | ¡¡ | ¡¡ |
| 4SW-5 | 5 | 8 | M4 |
³¹°³(1ÆÑ100Üâìý) |
¡¡ | ¡¡ | ¡¡ | ¡¡ |
| 4SW-6 | 6 | 8 | M4 |
³¹°³(1ÆÑ100Üâìý) |
¡¡ | ¡¡ | ¡¡ | ¡¡ |
| 4SW-7 | 7 | 8 | M4 |
³¹°³(1ÆÑ100Üâìý) |
¡¡ | ¡¡ | ¡¡ | ¡¡ |
| 4SW-8 | 8 | 8 | M4 |
³¹°³(1ÆÑ100Üâìý) |
¡¡ | ¡¡ | ¡¡ | ¡¡ |
| 4SW-9 | 9 | 8 | M4 |
³¹°³(1ÆÑ100Üâìý) |
¡¡ | ¡¡ | ¡¡ | ¡¡ |
| 4SW-10 | 10 | 8 | M4 |
³¹°³(1ÆÑ100Üâìý) |
¡¡ | ¡¡ | ¡¡ | ¡¡ |
| 3SW-1 | 1 | 6 | M3 |
³¹°³(1ÆÑ100Üâìý) |
¡¡ | ¡¡ | ¡¡ | ¡¡ |
| 3SW-1-T | 1 | 6 | M3 |
¸±(1¸±600Üâìý) |
24 | 16 | 8.2 | 5.5 |
| 3SW-2 | 2 | 6 | M3 |
³¹°³(1ÆÑ100Üâìý) |
¡¡ | ¡¡ | ¡¡ | ¡¡ |
| 3SW-2-T | 2 | 6 | M3 |
¸±(1¸±500Üâìý) |
24 | 16 | 9.1 | 6.1 |
| 3SW-3 | 3 | 6 | M3 |
³¹°³(1ÆÑ100Üâìý) |
¡¡ | ¡¡ | ¡¡ | ¡¡ |
| 3SW-4 | 4 | 6 | M3 |
³¹°³(1ÆÑ100Üâìý) |
¡¡ | ¡¡ | ¡¡ | ¡¡ |
| 3SW-5 | 5 | 6 | M3 |
³¹°³(1ÆÑ100Üâìý) |
¡¡ | ¡¡ | ¡¡ | ¡¡ |
| 3SW-6 | 6 | 6 | M3 |
³¹°³(1ÆÑ100Üâìý) |
¡¡ | ¡¡ | ¡¡ | ¡¡ |
| 3SW-7 | 7 | 6 | M3 |
³¹°³(1ÆÑ100Üâìý) |
¡¡ | ¡¡ | ¡¡ | ¡¡ |
| 3SW-8 | 8 | 6 | M3 |
³¹°³(1ÆÑ100Üâìý) |
¡¡ | ¡¡ | ¡¡ | ¡¡ |
| 3SW-9 | 9 | 6 | M3 |
³¹°³(1ÆÑ100Üâìý) |
¡¡ | ¡¡ | ¡¡ | ¡¡ |
| 3SW-10 | 10 | 6 | M3 |
³¹°³(1ÆÑ100Üâìý) |
¡¡ | ¡¡ | ¡¡ | ¡¡ |
| 2.6SW-1 | 1 | 5 | M2.6 |
³¹°³(1ÆÑ100Üâìý) |
¡¡ | ¡¡ | ¡¡ | ¡¡ |
| 2.6SW-1-T | 1 | 5 | M2.6 |
¸±(1¸±600Üâìý) |
24 | 16 | 7.9 | 5.2 |
| 2.6SW-2 | 2 | 5 | M2.6 |
³¹°³(1ÆÑ100Üâìý) |
¡¡ | ¡¡ | ¡¡ | ¡¡ |
| 2.6SW-3 | 3 | 5 | M2.6 |
³¹°³(1ÆÑ100Üâìý) |
¡¡ | ¡¡ | ¡¡ | ¡¡ |
| 2.6SW-4 | 4 | 5 | M2.6 |
³¹°³(1ÆÑ100Üâìý) |
¡¡ | ¡¡ | ¡¡ | ¡¡ |
| 2.6SW-5 | 5 | 5 | M2.6 |
³¹°³(1ÆÑ100Üâìý) |
¡¡ | ¡¡ | ¡¡ | ¡¡ |
| 2.6SW-6 | 6 | 5 | M2.6 |
³¹°³(1ÆÑ100Üâìý) |
¡¡ | ¡¡ | ¡¡ | ¡¡ |
| 2.6SW-7 | 7 | 5 | M2.6 |
³¹°³(1ÆÑ100Üâìý) |
¡¡ | ¡¡ | ¡¡ | ¡¡ |
| 2.6SW-8 | 8 | 5 | M2.6 |
³¹°³(1ÆÑ100Üâìý) |
¡¡ | ¡¡ | ¡¡ | ¡¡ |
| 2.6SW-9 | 9 | 5 | M2.6 |
³¹°³(1ÆÑ100Üâìý) |
¡¡ | ¡¡ | ¡¡ | ¡¡ |
| 2.6SW-10 | 10 | 5 | M2.6 |
³¹°³(1ÆÑ100Üâìý) |
¡¡ | ¡¡ | ¡¡ | ¡¡ |
| 2SW-1 | 1 | 4 | M2 |
³¹°³(1ÆÑ100Üâìý) |
¡¡ | ¡¡ | ¡¡ | ¡¡ |
| 2SW-1-T | 1 | 4 | M2 |
¸±(1¸±900Üâìý) |
16 | 12 | 6.8 | 4.5 |
| 2SW-2 | 2 | 4 | M2 |
³¹°³(1ÆÑ100Üâìý) |
¡¡ | ¡¡ | ¡¡ | ¡¡ |
| 2SW-3 | 3 | 4 | M2 |
³¹°³(1ÆÑ100Üâìý) |
¡¡ | ¡¡ | ¡¡ | ¡¡ |
| 2SW-4 | 4 | 4 | M2 |
³¹°³(1ÆÑ100Üâìý) |
¡¡ | ¡¡ | ¡¡ | ¡¡ |
| 2SW-5 | 5 | 4 | M2 |
³¹°³(1ÆÑ100Üâìý) |
¡¡ | ¡¡ | ¡¡ | ¡¡ |
| 2SW-6 | 6 | 4 | M2 |
³¹°³(1ÆÑ100Üâìý) |
¡¡ | ¡¡ | ¡¡ | ¡¡ |
| 2SW-7 | 7 | 4 | M2 |
³¹°³(1ÆÑ100Üâìý) |
¡¡ | ¡¡ | ¡¡ | ¡¡ |
| 2SW-8 | 8 | 4 | M2 |
³¹°³(1ÆÑ100Üâìý) |
¡¡ | ¡¡ | ¡¡ | ¡¡ |
| 2SW-9 | 9 | 4 | M2 |
³¹°³(1ÆÑ100Üâìý) |
¡¡ | ¡¡ | ¡¡ | ¡¡ |
| 2SW-10 | 10 | 4 | M2 |
³¹°³(1ÆÑ100Üâìý) |
¡¡ | ¡¡ | ¡¡ | ¡¡ |
- £Ó£×½Ã¸®Áî Å×ÀÌÇÁµµ

- ǰ¹ø
| ǰ¹ø | A | B | C | D | E | F | P |
| 4SW-1-T | 24 | 11.5 | 9.1 | 6.1 | 6 | 8.2 | 20 |
| 4SW-2-T | 24 | 11.5 | 10.1 | 6.7 | 6 | 8.2 | 20 |
| 3SW-1-T | 24 | 11.5 | 8.2 | 5.5 | 4 | 6.2 | 16 |
| 3SW-2-T | 24 | 11.5 | 9.1 | 6.1 | 4 | 6.2 | 16 |
| 2.6SW-1-T | 24 | 11.5 | 7.9 | 5.2 | 3.2 | 5.2 | 16 |
| 2SW-1-T | 16 | 7.5 | 6.8 | 4.5 | 2.8 | 4.2 | 12 |
- ÈíÂø ³ëÁï¿¡ ´ëÇÏ¿©´Â ±â°è¸ÞÀÌÄ¿¿Í »ó´ã ÇϽʽÿÀ¡£
PDFÆÄÀÏ(28KB)