°üÅë Ȧ ÃëºÎ ³ª»ç
| °üÅë Ȧ ÃëºÎ ³ª»ç [MT½Ã¸®Áî] (£±ÆÑ100°³ÀÔ) |
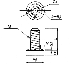
£Ð£Á£Ô |
- °üÅë Ȧ ±¸¸Û¿¡ ³³¶«ÇÏ¿© °íÁ¤ÇÏ´Â ³ª»ç ÀÔ´Ï´Ù¡£
- ¸Ó¸®ºÎ ³»Ãø¿¡ µ¹ÃâºÎ°¡ ºÎǰ¸éÃø°¡Áö ¶«³³À» È®½ÇÈ÷ ¿Ã·Á Áִ°ÍÀÌ °¡´ÉÇÕ´Ï´Ù¡£
- ¾ÐÂø´ÜÀÚ¡¢¹æ¿ÆÇ¡¢ÆÄ³ÚÀÇ ÃëºÎµî¿¡ »ç¿ë ÇϽʽÿÀ¡£
- ÀçÁú・・・・・・Ȳµ¿
- ó¸®・・・・・・´ÏÄ̼ºÁÖ¼®µµ±Ý
| ǰ¹ø | A | L | M | B | C |
| 2MT-3 | 4 | 3 | M2 P=0.4 | 0.5 | 3 |
| 2MT-4 | 4 | 4 | M2 P=0.4 | 0.5 | 3 |
| 2MT-5 | 4 | 5 | M2 P=0.4 | 0.5 | 3 |
| 2MT-6 | 4 | 6 | M2 P=0.4 | 0.5 | 3 |
| 2MT-7 | 4 | 7 | M2 P=0.4 | 0.5 | 3 |
| 2MT-8 | 4 | 8 | M2 P=0.4 | 0.5 | 3 |
| 2MT-9 | 4 | 9 | M2 P=0.4 | 0.5 | 3 |
| 2MT-10 | 4 | 10 | M2 P=0.4 | 0.5 | 3 |
| 2.6MT-5 | 5 | 5 | M2.6 P=0.45 | 0.6 | 3.8 |
| 2.6MT-6 | 5 | 6 | M2.6 P=0.45 | 0.6 | 3.8 |
| 2.6MT-7 | 5 | 7 | M2.6 P=0.45 | 0.6 | 3.8 |
| 2.6MT-8 | 5 | 8 | M2.6 P=0.45 | 0.6 | 3.8 |
| 2.6MT-9 | 5 | 9 | M2.6 P=0.45 | 0.6 | 3.8 |
| 2.6MT-10 | 5 | 10 | M2.6 P=0.45 | 0.6 | 3.8 |
| ǰ¹ø | A | L | M | B | C |
| 3MT-5 | 6 | 5 | M3 P=0.5 | 0.7 | 4.5 |
| 3MT-6 | 6 | 6 | M3 P=0.5 | 0.7 | 4.5 |
| 3MT-7 | 6 | 7 | M3 P=0.5 | 0.7 | 4.5 |
| 3MT-8 | 6 | 8 | M3 P=0.5 | 0.7 | 4.5 |
| 3MT-9 | 6 | 9 | M3 P=0.5 | 0.7 | 4.5 |
| 3MT-10 | 6 | 10 | M3 P=0.5 | 0.7 | 4.5 |
| 4MT-5 | 8 | 5 | M4 P=0.7 | 1.0 | 6 |
| 4MT-6 | 8 | 6 | M4 P=0.7 | 1.0 | 6 |
| 4MT-7 | 8 | 7 | M4 P=0.7 | 1.0 | 6 |
| 4MT-8 | 8 | 8 | M4 P=0.7 | 1.0 | 6 |
| 4MT-9 | 8 | 9 | M4 P=0.7 | 1.0 | 6 |
| 4MT-10 | 8 | 10 | M4 P=0.7 | 1.0 | 6 |
¡á¼¼Æ®¿Í¼Å£¨£±ÆÑ£±£°£°°³ÀÔ£©
- ÇÃ·Î¿ì ³³¶«½Ã¡¢³ª»çÀÇ À§·ÎºÎÅÍ ²È¾Æ ³Ö¾î ³ª»ç¸¦ °íÁ¤ÇØ ÁֽʽÿÀ¡£
- ³³¶«ÈÄ¡¢¶¼¾î³» ÁֽʽÿÀ¡£
- ÀçÁú・・・・・・£¶³ªÀ̷У¨£Õ£Ì£¹£´£È£Â£©
 |  |  |
 |  |  |
| ǰ¹ø £²£®£¶£Í£Ô££× | ǰ¹ø £³£Í£Ô££× |
ǰ¹ø £´£Í£Ô££× |
| £¨£Í£²£®£¶¿ë£© | £¨£Í£³¿ë£© | £¨£Í£´¿ë£© |
PDFÆÄÀÏ(31KB)