¼ö¸®¿ë
Á¢Áö¿ë ´ÜÀÚ £ÛGT½Ã¸®Áî] (£±ÆÑ100°³ÀÔ)
ÇÁ¸°Æ®±âÆÇÀÇ Á¢Áö¶óÀÎÀ» »þ½Ã¿¡ ºÎÂø ÇÒ¶§µî¿¡ »ç¿ëÇØ ÁֽʽÿÀ¡£
ÀçÁú・・・・・・Ȳµ¿
ó¸®・・・・・・´ÏÄ̼º±Ýµµ±Ý
ǰ¹ø
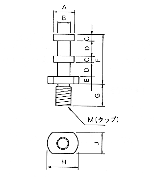
A(¥õ)
B(¥õ)
C
D
E
F
G
H(¥õ)
J
M
GT-1-1
3
1.8
0.5
2
1
6
2
5
4
M2
GT-1-2
3
1.8
0.5
2
1
6
3.5
5
4
M2
GT-2-1
6
4
1
4
2
12
3
7
5.5
M3
GT-2-2
6
4
1
4
2
12
6
7
5.5
M3
PDFÆÄÀÏ(20KB)
Close