£Ð£Å£Å£Ë
£¨£Ò£©
£Ð£Å£Å£Ë
£¨£Ò£©
³ª»ç¡¢³ÊÆ®
[MPE½Ã¸®Áî] (£±ÆÑ20°³ÀÔ)
³»¿¼º¡¢³»¾àǰ¼ºÀÌ ¶Ù¾î³ ÀçÁúÀÔ´Ï´Ù¡£
ÀçÁú・・・・・・£Ð£Å£Å£Ë
£¨£Ò£©
(UL94V-0)
»ö・・・・・・°¥
»ç¿ë¿Âµµ¹üÀ§・・・・・・££´£°¡É¢¦£«£²£°£°¡É
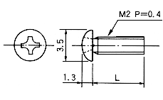
¡á£²£Í½Ã¸®Áî(£Í£²¿ë)
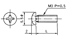
¡á£²£®£¶£Í½Ã¸®Áî(£Í£²£®£¶¿ë)
ù¡Ûã
L(mm)
2MPE-4
4
2MPE-5
5
2MPE-6
6
2MPE-8
8
2MPE-10
10
ù¡Ûã
L(mm)
2.6MPE-6
6
2.6MPE-8
8
2.6MPE-10
10
2.6MPE-12
12
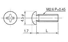
¡á£³£Í½Ã¸®Áî(£Í£³¿ë)
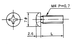
¡á£´£Í½Ã¸®Áî(£Í£´¿ë)
ù¡Ûã
L(mm)
3MPE-6
6
3MPE-8
8
3MPE-10
10
3MPE-12
12
3MPE-16
16
3MPE-20
20
ù¡Ûã
L(mm)
4MPE-6
6
4MPE-8
8
4MPE-10
10
4MPE-12
12
4MPE-16
16
4MPE-20
20
4MPE-25
25
¡á³ÊÆ®«È
ǰ¹ø
A
B
C
3MPE-N
5.5
2.4
M3
4MPE-N
7
3.2
M4
¡ØPEEK´Â «Ó«¯«È«ì«Ã«¯«¹・«¨«à«·ー(ñ»)ÀÇ µî·Ï»óÇ¥ ÀÔ´Ï´Ù¡£
PDFÆÄÀÏ(24KB)
Close