ÆÄ³Ú¿ë
ÃʼÒÇü ÆÄ³Ú¿ë üũ´ÜÀÚ
ÆÄ³Ú»óÀÇ ½ÅÈ£¶óÀΠüũ ¶Ç´Â ½ÅÈ£ÀÇ ÀûÃâ¿¡ Æí¸®ÇÑ Å¸ÀÙÀÔ´Ï´Ù¡£
ÃëºÎ´Â £Í£³¿ë ³ÊÆ®·Î ÃëºÎ ÇϹǷΠ¾ÆÁÖ ÀÛÀºÇüÀ¸·Î »ç¿ëÀÌ ½±°Ô µÇ¾î ÀÖ½À´Ï´Ù¡£
½ÅÈ£¶óÀΠüũ¿ë
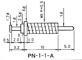
[ǰ¹øPN-1-1-A, PN-1-2-A] (£±ÆÑ10°³ÀÔ) |
- ½ÅÈ£¶óÀÎÀÇ Ã¼Å©¿¡ »ç¿ëÇØ ÁֽʽÿÀ¡£
- ÀçÁú
- ÇɺÎ・・・Ȳµ¿
- ¼öÁöºÎ£¨º»Ã¼£©・・・£Ð£Ð£Ï(UL94V-1)
- ³ÊÆ®・・・Ȳµ¿¡¢´ÏÄ̵µ±Ý
- ó¸®
- ¼öÁö»ö・・・・・・Èæ¡¢Àû¡¢È²¡¢³ì¡¢Ã»¡¢¹é
- ÆÄ³Ú ÃëºÎ°¡´É ÆÇµÎ²²・・・・・・£°£®£µ¢¦£µ£®£°mm
- ÆÄ³Ú ÃëºÎ ±¸¸Û°æ・・・・・・£³£®£²¥õ
¡áÁÖ¹®¹æ¹ý
£Ð£Î££±££±££Á Èæ ¡ç ¼öÁöÀÇ »öÀ» ÁöÁ¤ ÇØ ÁֽʽÿÀ¡£
(Èæ¡¢Àû¡¢È²¡¢³ì¡¢Ã»¡¢¹é£©
PDFÆÄÀÏ(20KB)
- ÃëºÎ½Ã¡¢³ÊÆ®¸¦ °ÇÏ°Ô Ã¼°á ÇÏÁö ¸»¾Æ ÁֽʽÿÀ¡££¨Ã¼°á Åä¿ÀÅ©£±£®£µkgÀÌ»ó ºÒ°¡£©