£Ì£Å£Ä¿ë
90¡ÆLED¿ë ½ºÆäÀ̼ £ÛLZ½Ã¸®Áî] (£±ÆÑ100°³ÀÔ)
£Ð£Á£Ô・£Ð
¡á»ç¿ë¿¹
£³¥õ¡¢£µ¥õ ÀÇ £Ì£Å£Ä¸¦ Á÷°¢À¸·Î ÃëºÎ ÇÒ ¼ö ÀÖ½À´Ï´Ù¡£
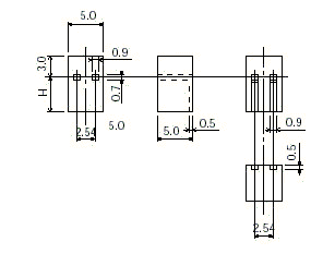
³ôÀÌ £²¢¦£±£°£í£í ±îÁö ÀÖ½À´Ï´Ù¡£
£Ì£Å£Ä¸¦ º»Á¦Ç°¿¡ ³Ö¾î¼ Á÷°¢À¸·Î ±¸ºÎ·Á ÁֽʽÿÀ¡£
ÀçÁú・・・・・・£Ð£Ð£Ó¼öÁöÈæ»ö£¨UL94V-0£©
¿Âµµ¹üÀ§・・・・・・££´£°¡É¢¦£«£±£²£µ¡É
ÀûÇգ̣ţÄ・・・・・・£³¥õ¡¢£µ¥õ£Ì£Å£Ä
´Ù¸® ÇÇÄ¡・・・・・・2.54£í£í¡¢2.5£í£í
´Ù¸® µÎ²²・・・0.5
¡à
¡¢0.5¥õ¡¢0.6¥õÀÌÇÏ¡¢0.6
¡à
ÀÌÇÏ
ǰ¹ø
H(mm)
LZ-2
1
LZ-2.5
2.5
LZ-3
3
LZ-3.5
3.5
LZ-4
4
LZ-4.5
4.5
LZ-5
5
LZ-5.5
5.5
LZ-6
6
LZ-6.5
6.5
LZ-7
7
LZ-7.5
7.5
ǰ¹ø
H(mm)
LZ-8
8
LZ-8.5
8.5
LZ-9
9
LZ-9.5
9.5
LZ-10
10
PDFÆÄÀÏ(22KB)
Close