LED¿ë
30¡ÆLED¿ë ½ºÆäÀ̽º
[ǰ¹øLT-6-30] (£±ÆÑ100°³ÀÔ) |
£Ð£Á£Ô |
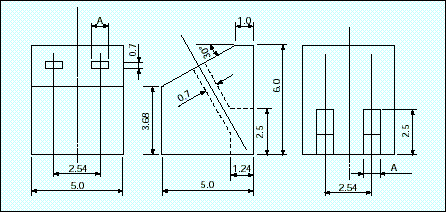
- LED¸¦ 30¡Æ·Î ÃëºÎ ÇÒ ¼ö ÀÖ´Â ½ºÆäÀ̼ ÀÔ´Ï´Ù¡£
- LED¸Ó¸®°æ £³¥õ¡¢£µ¥õ ŸÀÙ¿¡ »ç¿ë °¡´É ÇÕ´Ï´Ù¡£
- LT-6-30-1.5´Â LEDÀÇ ´Ù¸®¿¡ ½ºÅäÆÛ°¡ ºÙ¾îÀִ ŸÀÙ¿¡ »ç¿ë °¡´ÉÇÏ°Ô µÇ¾î ÀÖ½À´Ï´Ù¡£
- ÀçÁú・・・・・・LCP¼öÁö(UL94V-0)
- »ö・・・・・・Èæ
- Àç»ç¿ë・・・・・・°¡
- »ç¿ë¿Âµµ¹üÀ§・・・・・・££´£°¢¦£«£±£²£µ¡É
| ÇĹø | A |
| LT-6-30 | 0.9 |
| LT-6-30-1.5 | 1.5 |
PDFÆÄÀÏ(30KB)