LED¿ë
£´£µ¡ÆLED¿ë ½ºÆäÀ̼
[ǰ¹øLT-6] (£±ÆÑ100°³ÀÔ) |
£Ð£Á£Ô |
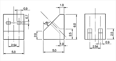
- LED¸¦ £´£µ¡Æ·Î ÃëºÎ°¡ °¡´ÉÇÑ ½ºÆäÀ̼ ÀÔ´Ï´Ù¡£
- LED¸Ó¸®°æ£³¥õ¡¢£µ¥õ ŸÀÙ¿¡ »ç¿ë °¡´É ÇÕ´Ï´Ù¡£
- ÀçÁú・・・・・・LCP¼öÁö(UL94V-0)
- »ö・・・・・・Èæ
- Àç»ç¿ë・・・・・・°¡´É
- »ç¿ë¿Âµµ¹üÀ§・・・・・・££´£°¢¦£«£±£²£µ¡É
PDFÆÄÀÏ(30KB)