| LED¿ë ¼ÒÄÉÆ® (SMT¿ë)
£ÛLQS-1¡¢LQS-45] (£±ÆÑ10°³ÀÔ) |
£Ð£Á£Ô |
|---|
| ¡á»ç¿ë¿¹ |
![]() |
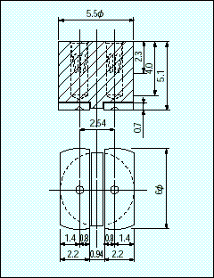
| LQS-1 |
![]() |
| LQS-45 |
| ǰ¹ø | ÀûÇÕ ¸ÞÀÏÇÉ °æ |
|---|---|
| LQS-1 | 0.5¡à¡¢0.64¡à¡¢0.6¢¦0.8¥Õ |
| LQS-1-0.5 | 0.45¢¦0.6¥Õ |
| LQS-45 | 0.5¡à¡¢0.64¡à¡¢0.6¢¦0.8¥Õ |
| LQS-45-0.5 | 0.45¢¦0.6¥Õ |
![]() | ![]() |
![]() | ![]() |
| LQS-1 LQS-1-0.5 | LQS-45 LQS-45-0.5 |