Á¡ÆÛ
¿¬°á Á¡ÆÛ¼±
[MC½Ã¸®Áî] (£±ÆÑ10°³ÀÔ) |
- Á¡ÆÛ¼±ÀÌ 1.27¡¢2.54mmÇÇÄ¡·Î ¿¬°áµÇ¾î ÀÖ½À´Ï´Ù¡£
- ´Ù¼öÀÇ Á¡ÆÛ°¡ ÀÖ´Â °æ¿ì¡¢£±¹øÀÇ ÀÛ¾÷À¸·Î ¿Ï·áµË´Ï´Ù¡£
- Èñ¸ÁÇÏ´Â ¤¡±Ø¼ö·Î Àý´ÜÇÏ¿© ³³Ç° ÇØµå¸³´Ï´Ù¡£
- ÀçÁú
- ¼öÁöºÎ・・・・・・£Ð£Ã£ÔÈæ»ö (UL94V-0)
- ÇɺÎ・・・・・・¸°Ã»µ¿
- ó¸®
- ÇÁ¸°Æ®ÆÇ ÃëºÎ ±¸¸Û°æ・・・・・・£°£®£¶¢¦£°£®£¸¥õ
- Á¤°ÝÀü¾Ð・・・・・・£²£µ£°V £Á£Ã, £Ä£Ã
- Á¤°ÝÀü·ù・・・・・・£²A
- Àý¿¬ÀúÇ×・・・・・・£µ£°£°M¥ØÀÌ»ó
- ³»Àü¾Ð・・・・・・£·£°£°V £Á£Ã, £Ä£Ã£±ºÐ°££¨MC-1½Ã¸®Á
- ³»Àü¾Ð・・・・・・£±£°£°£°V £Á£Ã, £Ä£Ã£±ºÐ°££¨MC-3½Ã¸®Á
- Àç»ç¿ë °¡´ÉÇü
- »ç¿ë¿Âµµ¹üÀ§・・・・・・££´£°¢¦£«£±£²£µ¡É
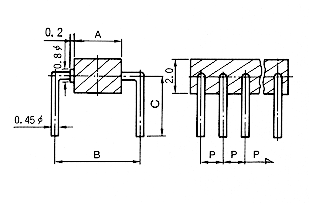
| ǰ¹ø | A | B | C | P |
Ãִ뿬°á¼ö |
| MC-1-0.1 | 1.0 | 2.54 | 3.5 | 1.27 | 40 |
| MC-3-0.1 | 1.0 | 2.54 | 3.5 | 2.54 | 20 |
| MC-1-0.2 | 2.8 | 5.08 | 3.5 | 1.27 | 40 |
| MC-3-0.2 | 2.8 | 5.08 | 3.5 | 2.54 | 20 |
| MC-1-0.3 | 4.8 | 7.62 | 3.5 | 1.27 | 40 |
| MC-3-0.3 | 4.8 | 7.62 | 3.5 | 2.54 | 20 |
¡áÁÖ¹®¹æ¹ý
£Í£Ã££±££°£®£±££±£°£Ð¡çÈñ¸ÁÇÏ´Â ±Ø¼ö¸¦ ±âÀÔÇÏ¿© ÁֽʽÿÀ¡£
£¨Áö½Ã°¡ ¾øÀ»½Ã´Â ÃÖ´ë ¿¬°á¼ö·Î ³³Ç°ÇØ µå¸³´Ï´Ù¡££©
PDFÆÄÀÏ(24KB)