ÇÏÀ̺긮µå£É£Ã¿ë
| ÇÏÀ̺긮µå IC¿ë ´ÜÀÚ£ÛCM½Ã¸®Áî] (£±ÆÑ1,000°³ÀÔ) |
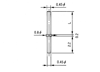
- ÇÏÀ̺긮µå ICÀÇ ´Ù¸®µî¿¡ »ç¿ë ÇØ ÁֽʽÿÀ¡£
- £°£®£´£µ¥õ ÀÇ ´Ù¸® À̹ǷΠº¸Åë µÕ±Ù ÇɼÒÄÉÆ®¿¡ µé¾î °©´Ï´Ù¡£
- ÀçÁú・・・・・・¸°Ã»µ¿
- ÀçÁú・・・・・・´ÏÄÌ µµ±Ý
- Àü·ù¿ë·®・・・・・・£³A
- ÇÁ¸°Æ®ÆÇ ÃëºÎ ±¸¸Û°æ・・・・・・£°£®£µ¥õ
| ǰ¹ø | L |
| CM-1-1 | 2.2 |
| CM-1-2 | 3.0 |
| CM-1-3 | 3.5 |
| CM-1-4 | 4.0 |
| CM-1-5 | 4.5 |
| CM-1-6 | 5.0 |
| CM-1-7 | 6.0 |
| CM-1-8 | 7.0 |
| CM-1-9 | 8.0 |
| CM-1-10 | 9.0 |
| CM-1-11 | 10.0 |
PDFÆÄÀÏ(17KB)