µ¿ÃàÄÉÀ̺í
µ¿ÃàÄÉÀÌºí °íÁ¤ ±Ý±¸[CJ½Ã¸®Áî]
PAT.P
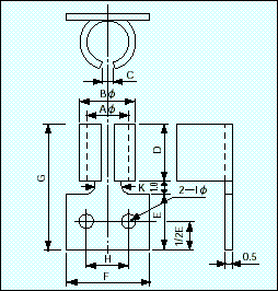
º»Á¦Ç°À» »ç¿ëÇϸé Ç¥¸é½ÇÀå¿ë±âÆÇ»ó¿¡ µ¿ÃàÄÉÀ̺íÀ» °íÁ¤ ½Ãų ¼ö ÀÖ½À´Ï´Ù¡£
ÀçÁú・・・・・・¸°Ã»µ¿
ó¸®・・・・・・´ÏÄÌÁÖ¼®µµ±Ý
ǰ¹ø
A
B
C
D
E
F
G
H
I
K
ÀûÇÕµ¿ÃàÄÉÀ̺í
CJ-3-1
3.1
4.1
1.2
4.0
4.0
6.0
9.0
3.0
1.0
3.5
1.5C-2V
CJ-6-1
5.9
6.9
1.5
5.0
5.0
8.0
11.0
4.0
1.2
6.0
3C-2V
ǰ¹ø
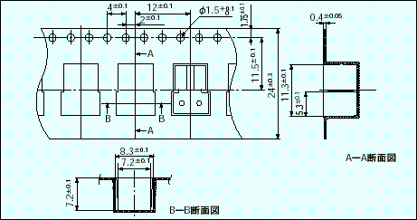
Æ÷ÀåÇüÅÂ
CJ-3-1
³¹°³(1ÆÑ100°³ÀÔ)
CJ-3-1-T
¸±(1¸±500°³ÀÔ)
CJ-6-1
³¹°³(1ÆÑ100°³ÀÔ)
CJ-6-1-T
¸±(1¸±400°³ÀÔ)
Ãßõ°æ
¡á¸±Ä©¼öµµ
CJ-3-1-T
CJ-6-1-T
PDFÆÄÀÏ(36KB)
Close