ÇÇÄ¡º¯È¯ÇÉ
| ÇÇÄ¡º¯È¯ÇÉ [£Í£Ö½Ã¸®Áî] (£±ÆÑ10°³ÀÔ) |
£Ð£Á£Ô.P |
 |
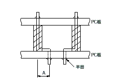
| ¡á»ç¿ë¿¹ |
 |
- ÇÁ¸°Æ®±âÆÇÀÇ ÇÇÄ¡ ³ÐÀ̸¦ À߸ø ¼³°è(°¡°ø) ÇßÀ»¶§¡¢ÇÇÄ¡ÆøÀ» º¯È¯ÇÏ°í ½ÍÀ» ¶§ »ç¿ëÇØ ÁֽʽÿÀ¡£
- »ç¿ë¹æ¹ýÀº ¿©·¯ °¡Áö °¡´ÉÇÕ´Ï´Ù¡£
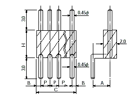
- ÇÇÄ¡´Â 1.27¡¢2.54£í£íÀÇ 2Á¾·ù°¡ ÀÖ½À´Ï´Ù¡£
- ÇÇÄ¡ ÆøÀº 2.54¡¢5.08ÀÇ 2Á¾·ù°¡ ÀÖ½À´Ï´Ù¡£
- ÀçÁú
- ¼öÁöºÎ・・・・・・£Ð£Ã£ÔÈæ»ö(UL94V-0)
- ÇɺÎ・・・・・・¸°Ã»µ¿
- ó¸®・・・・・・´ÏÄ̼º±Ýµµ±Ý
- Àü·ù¿ë·®・・・・・・2A
- Àý¿¬ÀúÇ×・・・・・・£µ£°£°M¥ØÀÌ»ó
- Àý¿¬³»¾Ð
- £±£°£°£°V £Á£Ã.£Ä£Ã £±ºÐ°£ (£Í£Ö-£³¡à-¡à½Ã¸®Áî)
- £·£°£°V £Á£Ã.£Ä£Ã £±ºÐ°£ (£Í£Ö-£±¡à-¡à½Ã¸®Áî)
- ÇÁ¸°Æ®ÆÇ ÃëºÎ ±¸¸Û°æ・・・・・・£°£®£¶¥õ
| ǰ¹ø | H | A | B | C | P |
Ãִ뿬°á¼ö |
| MV-13-3 | 3 | 2.54 | 0.635 | 50.8 | 1.27 | 40P |
| MV-13-4 | 4 | 2.54 | 0.635 | 50.8 | 1.27 | 40 |
| MV-13-5 | 5 | 2.54 | 0.635 | 50.8 | 1.27 | 40 |
| MV-16-3 | 3 | 5.08 | 0.635 | 50.8 | 1.27 | 40 |
| MV-16-4 | 4 | 5.08 | 0.635 | 50.8 | 1.27 | 40 |
| MV-16-5 | 5 | 5.08 | 0.635 | 50.8 | 1.27 | 40 |
| MV-33-3 | 3 | 2.54 | 1.27 | 50.8 | 2.54 | 20 |
| MV-33-4 | 4 | 2.54 | 1.27 | 50.8 | 2.54 | 20 |
| MV-33-5 | 5 | 2.54 | 1.27 | 50.8 | 2.54 | 20 |
| MV-36-3 | 3 | 5.08 | 1.27 | 50.8 | 2.54 | 20 |
| MV-36-4 | 4 | 5.08 | 1.27 | 50.8 | 2.54 | 20 |
| MV-36-5 | 5 | 5.08 | 1.27 | 50.8 | 2.54 | 20 |
¡áÁÖ¹®¹æ¹ý
£Í£Ö-£±£³-£³-£±£°£Ð ¡ç Èñ¸Á ±Ø¼ö¸¦ ±âÀÔÇØ ÁֽʽÿÀ¡£
(ÁöÁ¤ÀÌ ¾ø´Â °æ¿ì ÃÖ´ë±Ø¼ö·Î ³³Ç°ÇØ µå¸³´Ï´Ù¡£)
PDFÆÄÀÏ(25KB)