Ç¥¸é½ÇÀå¿ë£¨Ã¼Å©£©
ÀÚµ¿»ðÀÔ±â¿ë Ç¥¸é½ÇÀå¿ë üũ´ÜÀÚ
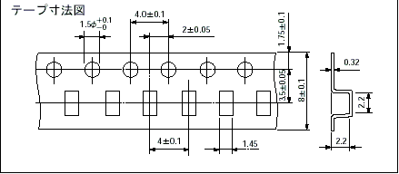
[HK-3½Ã¸®Áî] (2¡¿1.25ŸÀÙ) |
£Ð£Á£Ô |
- Ĩ¸¶¿îÅÍ¿¡ »ç¿ë °¡´ÉÇÑ Ã¼Å©´ÜÀÚ ÀÔ´Ï´Ù¡£
- »çÀÌÁî´Â £²¡¿£±£®£²£µ ŸÀÙ À̹ǷΠ¼ÒÇü±â±â¿¡ »ç¿ë °¡´ÉÇÕ´Ï´Ù¡£
- ¿¥ºê½ºÅ×ÀÙ¿¡ ¼ö³³ µÇ¾î ÀÖ½À´Ï´Ù¡£
- Åë»óÀÇ Å©¸²¶«³³À¸·Î °ø±Þ ÇÒ °æ¿ì¿¡¡¢·£µåÇü»óÀº Àü¸é£¨À广Çü¡à£© £²¡¿£±£®£³ÀÌ»óÀÇ Å©±â·Î Çϴ°ÍÀÌ °µµ¸¦ Áõ°¡ ½Ãŵ´Ï´Ù¡£
- ÀçÁú・・・・・・Ȳµ¿
- ó¸®
- £È£Ë££³££Ç・・・・・・´ÏÄÌÇü±Ýµµ±Ý
- £È£Ë££³££Ó・・・・・・´ÏÄÌÇüÁÖ¼®µµ±Ý
| ǰ¹ø | Æ÷Àå»óÅ |
| HK-3-G-T | ¸±(1¸±1,500°³ÀÔ) |
| HK-3-G | ¸±(1ÆÑ1,000°³ÀÔ) |
| HK-3-S-T | ¸±(1¸±1,500°³ÀÔ) |
| HK-3-S | ¸±(1ÆÑ1,000°³ÀÔ) |
PDFÆÄÀÏ(21KB)