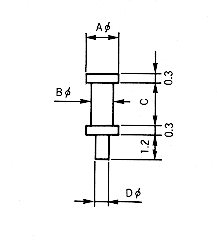
| ·ÎÁ÷¿ë üũ ´ÜÀÚ
[ǰ¹øSE½Ã¸®Áî] (£±ÆÑ1,000°³ÀÔ) ÇÁ¸°Æ®ÆÇ µÎ²²0.6£ôÀÌÇÏ¿ë |
|---|
![]() |
| ǰ¹ø | A | B | C | D |
ÇÁ¸°Æ®ÆÇ ÃëºÎ±¸¸Û°æ |
|---|---|---|---|---|---|
| SE-1-1 | 1.0 | 0.7 | 1.0 | 0.48 | 0.5¥õ |
| SE-1-2 | 1.0 | 0.7 | 1.5 | 0.48 | 0.5 |
| SE-1-3 | 1.0 | 0.7 | 2.0 | 0.48 | 0.5 |
| SE-2-1 | 1.5 | 1.0 | 1.0 | 0.78 | 0.8 |
| SE-2-2 | 1.5 | 1.0 | 1.5 | 0.78 | 0.8 |
| SE-2-3 | 1.5 | 1.0 | 2.0 | 0.78 | 0.8 |
| SE-2-4 | 1.5 | 1.0 | 3.0 | 0.78 | 0.8 |