üũ¿ë ´ÜÀÚ
Ä®¶ó üũ ´ÜÀÚ
[ǰ¹øSC-1-1A] (£±ÆÑ1,000°³ÀÔ) |
£Ð£Á£Ô.£Ð |
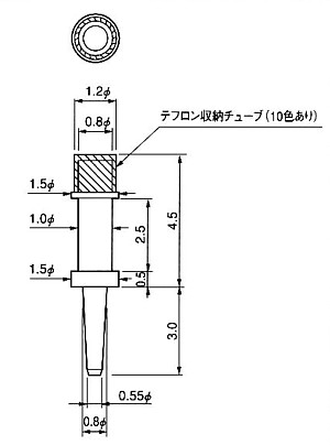
- ´ÜÀÚÀÇ ¸Ó¸®ºÎºÐ¿¡ Ä®¶ó ÄÚµå·Î 10»ö¡¢»öÀÌ Ä¥ÇØÁ® ÀÖ½À´Ï´Ù¡£
- »öÀ» ³ª´²¼ üũ¸¦ °£´ÜÈ÷ ÇÒ ¼ö ÀÖ½À´Ï´Ù¡£
- ¹è¼±¿ë¿¡ »ç¿ë ÇÒ ¶§¡¢¹è¼± ½Ç¼öµµ ¾ø¾Ù ¼ö ÀÖ½À´Ï´Ù¡£
- ÀçÁú・・・・・・Ȳµ¿
- ó¸®・・・・・・´ÏÄ̱â¹Ý ±Ýµµ±Ý
- ÇÁ¸°Æ®ÆÇ ÃëºÎ ±¸¸Û°æ・・・・・・£°£®£¸¥õ
- »ö Á¾·ù・・・・・・Èæ¡¢°¥¡¢Àû¡¢ÁÖȲ¡¢È²¡¢³ì¡¢Ã»¡¢º¸¶ó¡¢È¸¡¢¹é
- ÁÖ¹® ¹æ¹ý・・・・・・¿¹ £Ó£Ã££±££±£Á Èæ ¡ç»öÁöÁ¤
- £±£°»ö °¢£±£°£°°³ ÆÑµµ ÀÖ½À´Ï´Ù¡£
ǰ¹ø・・・・・・£Ó£Ã££±£Á££±£°
PDFÆÄÀÏ(21KB)