ÃëºÎºí·°
ÇÁ¸°Æ®ÆÇ ¼öÁ÷ÃëºÎ ºí·°
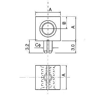
[BA½Ã¸®Áî] (£±ÆÑ100°³ÀÔ) |
£Ð£Á£Ô |
- ÇÁ¸°Æ®ÆÇÀ» ¼öÁ÷À¸·Î ÃëºÎ ÇÒ °æ¿ì¿¡ »ç¿ëÇØ ÁֽʽÿÀ¡£
- ÆíÃøÀº ÇÁ¸°Æ®±âÆÇ¿¡ ³³¶« ÇÏ¿© ÁֽʽÿÀ¡£
- ÀçÁú・・・・・・Ȳµ¿
- ó¸®・・・・・・´ÏÄ̱â¹ÝÁÖ¼®µµ±Ý
| ǰ¹ø | A | B | C(¥õ) | M |
ÇÁ¸°Æ®ÆÇÃëºÎ±¸¸Û°æ | Ãßõ·£µå°æ |
| BA-2-4 | 4 | 2 | 1.62 | M2 | 1.6¥õ | 5mm°¢·£µå
¶Ç´Â6 ¥õ·£µå |
| BA-3-6 | 6 | 3 | 2.02 | M3 | 2.0¥õ | 7mm°¢·£µå
¶Ç´Â 9¥õ·£µå |
- Á¦Ç°¿¡´Â ÃëºÎ¿ë ³ª»ç°¡ ºÙ¾î ÀÖ½À´Ï´Ù¡£
¡á»ç¿ë»óÀÇ ÁÖÀÇ
- ³³¶«ÃøÀº °üÅë Ȧ ±âÆÇ¿¡ ÇÑÁ¤ÇÕ´Ï´Ù¡£
- ³³¶«½Ã¡¢ºÎǰ¸é ±îÁö È®½ÇÈ÷ ¶«³³À» ¿Ã·Á ÁֽʽÿÀ¡£
PDFÆÄÀÏ(25KB)