Ç¥¸é½ÇÀå¿ë£¨Á¶Á¤ºÎǰ¿ë£©
Ç¥¸é½ÇÀå¿ë
Ãß°¡Ã¼Å©´ÜÀÚ
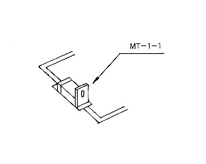
[ǰ¹øMT-1-1] (1ÆÑ1,000°³ÀÔ) |
- Ç¥¸é½ÇÀå¿ë±âÆÇ¿¡ ½ÇÀåÈÄ¡¢½ÅÈ£¶óÀÎÀ» üũ Çϰí½ÍÀ»¶§¡¢ºÎǰÀÇ ¿·¿¡ ³³¶«ÇÏ¿© üũ´ÜÀÚ·Î Çϴ°ÍÀÌ °¡´ÉÇÕ´Ï´Ù¡£
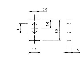
- ÀçÁú・・・・・・¸°Ã»µ¿
- ó¸®・・・・・・´ÏÄ̼ºÁÖ¼®µµ±Ý
- ǰ¹ø・・・・・・£Í£Ô££±££±
PDFÆÄÀÏ(18KB)