|
Wire Wrap Terminal
[WV Series] (1000pcs/pack) |
|---|
![]() |
![]() |
| EXAMPLE |
|---|
![]() |
| Material | Phosphorus bronze (WV-1, 2) |
|---|---|
| Brass (WV-4) | |
| Finish | Au plating over Ni |
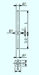
| Model No. | A (square mm) | B (square mm) | C (mm) | L (mm) | Recommended through-hole diameter (phi mm) |
|---|---|---|---|---|---|
| WV-1-5 | 0.5 | 1.0 | 0.25 | 5 | 0.7 |
| WV-1-8 | 0.5 | 1.0 | 0.25 | 8 | 0.7 |
| WV-1-10 | 0.5 | 1.0 | 0.25 | 10 | 0.7 |
| WV-2-5 | 0.64 | 1.3 | 0.3 | 5 | 0.9 |
| WV-2-8 | 0.64 | 1.3 | 0.3 | 8 | 0.9 |
| WV-2-10 | 0.64 | 1.3 | 0.3 | 10 | 0.9 |
| WV-2-15 | 0.64 | 1.3 | 0.3 | 15 | 0.9 |
| WV-4-10 | 1.0 | 2.0 | 0.5 | 10 | 1.4 |
| WV-4-15 | 1.0 | 2.0 | 0.5 | 15 | 1.4 |