|
Wire Wrap Terminal (2 Row Type)
[WLW-x-x Series] (10pcs/pack) |
|---|
![]() |
| EXAMPLE |
|---|
![]() |
![]() |
| Material | Resin part | PBT black (UL94V-0) |
|---|---|---|
| Pin part | Phosphorus bronze | |
| Finsh | Au plating over Ni | |
| Recommended through-hole diameter (phi mm) | 1.0 to 1.1 | |
| Rated current | 3A | |
| Insulation resistance | 500M ohm or more | |
| Resisting voltage | 1000V AC, DC 1min | |
| Temperature range (degrees Celsius) | -40 to +125 | |
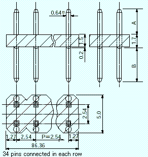
| Model No. | A(mm) | B(mm) |
|---|---|---|
| WLW-4-7 | 4.3 | 7.0 |
| WLW-8-11 | 8.0 | 11.0 |
| WLW-12-16 | 12.0 | 16.0 |
| WLW-6-6 | 6.0 | 6.0 |