|
Test Pin (For Logic Circuit Test)
[ST Series] (1000pcs/pack) |
|---|
![]() |
![]() |
| Material | Brass |
|---|---|
| Finish | Au plating over Ni |
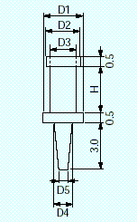
| Model No. | D1 (phi mm) | D2 (phi mm) | D3 (phi mm) | D4 (phi mm) | D5 (phi mm) | H (mm) | Recommended through-hole diameter (phi mm) |
|---|---|---|---|---|---|---|---|
| ST-1-1 | 2.0 | 1.8 | 1.2 | 0.8 | 0.65 | 3.0 | 0.8 |
| ST-1-2 | 2.0 | 1.8 | 1.2 | 0.8 | 0.65 | 6.0 | 0.8 |
| ST-1-3 | 2.0 | 1.8 | 1.2 | 0.8 | 0.65 | 10.0 | 0.8 |
| ST-2-1 | 2.5 | 2.2 | 1.4 | 1.0 | 0.8 | 3.5 | 1.0 |
| ST-2-2 | 2.5 | 2.2 | 1.4 | 1.0 | 0.8 | 6.5 | 1.0 |
| ST-2-3 | 2.5 | 2.2 | 1.4 | 1.0 | 0.8 | 10.5 | 1.0 |
| ST-3-1 | 2.5 | 2.2 | 1.4 | 1.2 | 1.0 | 3.5 | 1.2 |
| ST-3-2 | 2.5 | 2.2 | 1.4 | 1.2 | 1.0 | 6.5 | 1.2 |
| ST-3-3 | 2.5 | 2.2 | 1.4 | 1.2 | 1.0 | 10.5 | 1.2 |
| ST-4-1 | 1.5 | 1.5 | 1.0 | 0.8 | 0.65 | 3.0 | 0.8 |
| ST-4-2 | 1.5 | 1.5 | 1.0 | 0.8 | 0.65 | 5.0 | 0.8 |
| ST-5-1 | 1.2 | 1.2 | 0.8 | 0.6 | 0.5 | 3.0 | 0.6 |
| ST-5-2 | 1.2 | 1.2 | 0.8 | 0.6 | 0.5 | 5.0 | 0.6 |
| ST-6-1 | 1.0 | 1.0 | 0.7 | 0.5 | 0.4 | 3.0 | 0.5 |
| ST-6-2 | 1.0 | 1.0 | 0.7 | 0.5 | 0.4 | 5.0 | 0.5 |