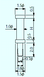
TEST PIN
Test Pin (For Logic Circuit Test)
[SA Series] (1000pcs/pack)
Test pin for PC board thickness 1.0mm and 0.8mm.
Material
Brass
Finish
Au plating over Ni
Model No.
H
(mm)
Recommended
through-hole
diameter
(mm)
SA-1-1
3.0
0.8
SA-1-2
5.0
0.8