|
Teflon Terminal (Super Small Type)
[FX Series] (100pcs/pack) |
PAT |
|---|
![]() |
| EXAMPLE |
|---|
![]() |
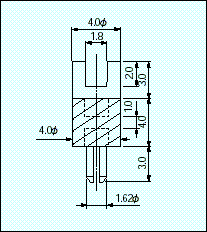
| Material | Teflon & Brass |
|---|---|
| Finish | Au plating over Ni |
| Recommended through-hole diameter (phi mm) | 0.8 |
![]() | ![]() | ![]() |
![]() | ![]() | ![]() |
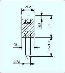
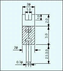
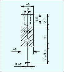
| FX-1 | FX-2 | FX-3 |
![]() | ![]() |
| Material | Teflon & Brass |
|---|---|
| Finish | Au plating over Ni |
| Recommended through-hole diameter (phi mm) | 1.6 |