|
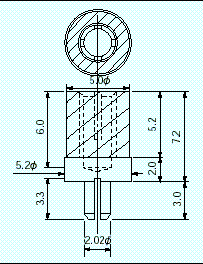
Socket For Male Pin Diameter 2.0 phi mm
[PA-2] (10pcs/pack) |
PAT |
|---|
![]() |
| EXAMPLE |
|---|
![]() |
![]() |
| Material | Resin part | Fluorine (UL94V-0) |
|---|---|---|
| Socket part | Phosphorus bronze | |
| Finish | Au plating over Ni | |
| Recommended through-hole diameter (phi mm) | 2.0 | |
| Recommended male pin diameter (phi mm) | 2.0 | |
| Rated current | 10A | |
| Insulation resistance | 1000M ohm or more | |
| Contact resistance | 20m ohm or less | |
| Dielectric strength | 1000V AC, DC 1min | |
| Mating/unmating (durability) | 1000 times or more | |
| Mating/unmating forces | 800g or less (mating) 100g or more (unmating) | |
| Temperature range (degrees Celsius) | -40 to +125 | |