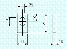
TEST POINT (SMT)
Test Point
[MT-1-1] (1000pcs/pack)
Use as check terminal to check signal line by soldering this on the side of parts.
Material
Phosphorus bronze
Finish
Sn plating over Ni