|
Board To Board Connector
[GQS Series] (10pcs/pack) |
PAT |
|---|
| How to use |
|---|
![]() |
![]() |
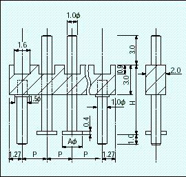
| Dimension plan |
![]() |
| Material | Pin part | Copper |
|---|---|---|
| Resin part | PCT black (UL94V-0) | |
| Finish | Au plating over Ni | |
| Rated current | 10A | |
| Insulation resistance | 500M ohm or more | |
| Dielectric strength | 1000V AC, DC 1min | |
| Temperature range (degrees Celsius) | -40 to +125 | |
| Model no. | A (phi mm) | H (mm) | P (mm) | Max pin |
|---|---|---|---|---|
| GQS-3-4 | 1.8 | 4 | 2.54 | 31 |
| GQS-3-5 | 1.8 | 5 | 2.54 | 31 |
| GQS-3-6 | 1.8 | 6 | 2.54 | 31 |
| GQS-3-7 | 1.8 | 7 | 2.54 | 31 |
| GQS-3-8 | 1.8 | 8 | 2.54 | 31 |
| GQS-3-9 | 1.8 | 9 | 2.54 | 31 |
| GQS-3-10 | 1.8 | 10 | 2.54 | 15 |
| GQS-6-4 | 2.0 | 4 | 5.08 | 15 |
| GQS-6-5 | 2.0 | 5 | 5.08 | 15 |
| GQS-6-6 | 2.0 | 6 | 5.08 | 15 |
| GQS-6-7 | 2.0 | 7 | 5.08 | 15 |
| GQS-6-8 | 2.0 | 8 | 5.08 | 15 |
| GQS-6-9 | 2.0 | 9 | 5.08 | 15 |
| GQS-6-10 | 2.0 | 10 | 5.08 | 15 |
| Recommended pat layout |
|---|
![]() |