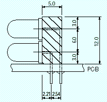
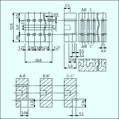
LED SPACER
LED Spacer (Double-Deck Type)
[LWR-1] (10pcs/pack)
|
PAT
|
- This spacer is connected type of LW-1.
- Insert LED to this spacer and bend the leads of LED at right angle.
| Material | PPS resin (UL94V-0) |
Temperature range (degrees Celsius) | -40 to +125 |
Recommended LED head size (phi mm) | 3, 5 |
| Color | Black |
- HOW TO ORDER
LRW-1-4PW
Put # of holes if necessary. (max 20PW)
#PW means # of pins on one side.