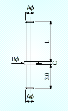
| Model No. | A (phi mm) | B (phi mm) | C (mm) | L (mm) |
| CD-2-3 | 0.2 | 0.4 | 0.1 | 3 |
| CD-2-5 | 0.2 | 0.4 | 0.1 | 5 |
| CD-3-3 | 0.3 | 0.6 | 0.15 | 3 |
| CD-3-5 | 0.3 | 0.6 | 0.15 | 5 |
| CD-3-8 | 0.3 | 0.6 | 0.15 | 8 |
| CD-3-10 | 0.3 | 0.6 | 0.15 | 10 |
| CD-3-15 | 0.3 | 0.6 | 0.15 | 15 |
| CD-4-5 | 0.4 | 0.7 | 0.2 | 5 |
| CD-4-8 | 0.4 | 0.7 | 0.2 | 8 |
| CD-4-10 | 0.4 | 0.7 | 0.2 | 10 |
| CD-4-15 | 0.4 | 0.7 | 0.2 | 15 |
| CD-4-20 | 0.4 | 0.7 | 0.2 | 20 |
| CD-5-5 | 0.5 | 0.8 | 0.2 | 5 |
| CD-5-10 | 0.5 | 0.8 | 0.2 | 10 |
| CD-5-15 | 0.5 | 0.8 | 0.2 | 15 |
| CD-5-20 | 0.5 | 0.8 | 0.2 | 20 |
| CD-7-5 | 0.7 | 1.2 | 0.3 | 5 |
| CD-7-10 | 0.7 | 1.2 | 0.3 | 10 |
| CD-7-15 | 0.7 | 1.2 | 0.3 | 15 |
| CD-7-20 | 0.7 | 1.2 | 0.3 | 20 |
|
| Model No. | A (phi mm) | B (phi mm) | C (mm) | L (mm) |
| CD-10-5 | 1.0 | 1.5 | 0.3 | 5 |
| CD-10-10 | 1.0 | 1.5 | 0.3 | 10 |
| CD-10-15 | 1.0 | 1.5 | 0.3 | 15 |
| CD-10-20 | 1.0 | 1.5 | 0.3 | 20 |
| CD-12-5 | 1.2 | 1.8 | 0.5 | 5 |
| CD-12-10 | 1.2 | 1.8 | 0.5 | 10 |
| CD-12-15 | 1.2 | 1.8 | 0.5 | 15 |
| CD-12-20 | 1.2 | 1.8 | 0.5 | 20 |
| CD-14-5 | 1.4 | 2.0 | 0.5 | 5 |
| CD-14-6 | 1.4 | 2.0 | 0.5 | 6 |
| CD-14-10 | 1.4 | 2.0 | 0.5 | 10 |
| CD-14-15 | 1.4 | 2.0 | 0.5 | 15 |
| CD-14-20 | 1.4 | 2.0 | 0.5 | 20 |
| CD-15-5 | 1.5 | 2.5 | 0.5 | 5 |
| CD-15-10 | 1.5 | 2.5 | 0.5 | 10 |
| CD-15-15 | 1.5 | 2.5 | 0.5 | 15 |
| CD-15-20 | 1.5 | 2.5 | 0.5 | 20 |
| CD-20-5 | 2.0 | 3.0 | 0.5 | 5 |
| CD-20-10 | 2.0 | 3.0 | 0.5 | 10 |
| CD-20-15 | 2.0 | 3.0 | 0.5 | 15 |
| CD-20-20 | 2.0 | 3.0 | 0.5 | 20 |
|