|
Terminal For Hybrid IC
[CA Series] (1000pcs/pack) |
|---|
![]() |
![]() |
| Material | Brass | |
|---|---|---|
| Finish | Au plating over Ni | |
| Rated current | CA-1, CA-7 | 4A |
| CA-2 | 5A | |
| CA-3 | 6A | |
| CA-4 | 7A | |
| CA-5 | 2A | |
| CA-6 | 3A | |
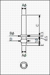
| Model No. | A (phi mm) | B (phi mm) | C (mm) | D (mm) | E (mm) | Recommended through-hole diameter (phi mm) |
|---|---|---|---|---|---|---|
| CA-1-1 | 0.7 | 1.0 | 5 | 0.85 | 1.5 | 0.8 |
| CA-1-2 | 0.7 | 1.0 | 10 | 0.85 | 1.5 | 0.8 |
| CA-1-3 | 0.7 | 1.0 | 15 | 0.85 | 1.5 | 0.8 |
| CA-1-4 | 0.7 | 1.0 | 20 | 0.85 | 1.5 | 0.8 |
| CA-1-8 | 0.7 | 1.0 | 8 | 0.85 | 1.5 | 0.8 |
| CA-2-1 | 0.8 | 1.1 | 5 | 0.95 | 1.5 | 0.9 |
| CA-2-2 | 0.8 | 1.1 | 10 | 0.95 | 1.5 | 0.9 |
| CA-2-3 | 0.8 | 1.1 | 15 | 0.95 | 1.5 | 0.9 |
| CA-2-4 | 0.8 | 1.1 | 20 | 0.95 | 1.5 | 0.9 |
| CA-2-8 | 0.8 | 1.1 | 8 | 0.95 | 1.5 | 0.9 |
| CA-3-1 | 0.9 | 1.2 | 5 | 1.05 | 1.5 | 1.0 |
| CA-3-2 | 0.9 | 1.2 | 10 | 1.05 | 1.5 | 1.0 |
| CA-3-3 | 0.9 | 1.2 | 15 | 1.05 | 1.5 | 1.0 |
| CA-3-4 | 0.9 | 1.2 | 20 | 1.05 | 1.5 | 1.0 |
| CA-3-8 | 0.9 | 1.2 | 8 | 1.05 | 1.5 | 1.0 |
| CA-4-1 | 1.0 | 1.3 | 5 | 1.15 | 1.5 | 1.1 |
| CA-4-2 | 1.0 | 1.3 | 10 | 1.15 | 1.5 | 1.1 |
| CA-4-3 | 1.0 | 1.3 | 15 | 1.15 | 1.5 | 1.1 |
| CA-4-4 | 1.0 | 1.3 | 20 | 1.15 | 1.5 | 1.1 |
| CA-4-8 | 1.0 | 1.3 | 8 | 1.15 | 1.5 | 1.1 |
| CA-5-1 | 0.45 | 0.8 | 3.2 | 0.54 | 0.6 | 0.5 |
| CA-5-2 | 0.45 | 0.8 | 4 | 0.54 | 0.6 | 0.5 |
| CA-5-3 | 0.45 | 0.8 | 5 | 0.54 | 0.6 | 0.5 |
| CA-5-4 | 0.45 | 0.8 | 6 | 0.54 | 0.6 | 0.5 |
| CA-6-1 | 0.5 | 0.8 | 5 | 0.65 | 1.0 | 0.6 |
| CA-6-2 | 0.5 | 0.8 | 10 | 0.65 | 1.0 | 0.6 |
| CA-6-8 | 0.5 | 0.8 | 8 | 0.65 | 1.0 | 0.6 |
| CA-7-1 | 0.6 | 0.9 | 5 | 0.75 | 1.5 | 0.7 |
| CA-7-2 | 0.6 | 0.9 | 10 | 0.75 | 1.5 | 0.7 |
| CA-7-3 | 0.6 | 0.9 | 15 | 0.75 | 1.5 | 0.7 |
| CA-7-4 | 0.6 | 0.9 | 8 | 0.75 | 1.5 | 0.7 |