|
Changing-Pitch Connector
[MV Series] (10pcs/pack) |
PAT.P |
|---|
![]() |
| EXAMPLE |
|---|
![]() |
![]() |
![]() |
| Material | Resin part | PCT black (UL94V-0) |
|---|---|---|
| Pin part | Phosphorus bronze | |
| Finsh | Pin part | Au plating over Ni |
| Recommended through-hole diameter (phi mm) | 0.6 | |
| Rated current | 2A | |
| Insulation resistance | 500M ohm or more | |
| Dielectric strength | 1000V AC, DC 1min (MV-3x-x series) | |
| 700V AC, DC 1min (MV-1x-x series) | ||
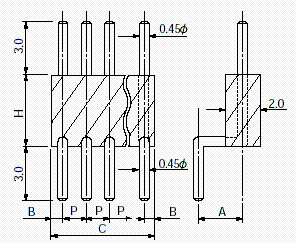
| Model No. | H (mm) | A (mm) | B (mm) | C (mm) | P (mm) | Max pins |
|---|---|---|---|---|---|---|
| MV-13-3 | 3 | 2.54 | 0.635 | 50.8 | 1.27 | 40 |
| MV-13-4 | 4 | 2.54 | 0.635 | 50.8 | 1.27 | 40 |
| MV-13-5 | 5 | 2.54 | 0.635 | 50.8 | 1.27 | 40 |
| MV-16-3 | 3 | 5.08 | 0.635 | 50.8 | 1.27 | 40 |
| MV-16-4 | 4 | 5.08 | 0.635 | 50.8 | 1.27 | 40 |
| MV-16-5 | 5 | 5.08 | 0.635 | 50.8 | 1.27 | 40 |
| MV-33-3 | 3 | 2.54 | 1.27 | 50.8 | 2.54 | 20 |
| MV-33-4 | 4 | 2.54 | 1.27 | 50.8 | 2.54 | 20 |
| MV-33-5 | 5 | 2.54 | 1.27 | 50.8 | 2.54 | 20 |
| MV-36-3 | 3 | 5.08 | 1.27 | 50.8 | 2.54 | 20 |
| MV-36-4 | 4 | 5.08 | 1.27 | 50.8 | 2.54 | 20 |
| MV-36-5 | 5 | 5.08 | 1.27 | 50.8 | 2.54 | 20 |