|
Board To Board Connector
[MB Series] (H=5.5 to 22mm) (10pcs/pack) |
|---|
![]() |
| EXAMPLE |
|---|
![]() |
![]() |
| Material | Resin part | PCT black (UL94V-0) |
|---|---|---|
| Pin part | Phosphorus bronze | |
| Finsh | Pin part | Au plating over Ni |
| Recommended through-hole diameter (phi mm) | 0.6 | |
| Rated current | 2A | |
| Insulation resistance | 500M ohm or more | |
| Dielectric strength | 1000V AC, DC 1min (MB-3 series) | |
| 700V AC, DC 1min (MB-1 series) | ||
| Temperature range (degrees Celsius) | -40 to +125 | |
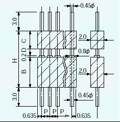
![]() |
| Model No. | H (mm) | B (mm) | C (mm) | D (mm) | P (mm) | Max pins |
|---|---|---|---|---|---|---|
| MB-1-5.5 | 5.5 | 4.3 | 1.0 | 0 | 1.27 | 40 |
| MB-1-6.0 | 6.0 | 4.8 | 1.0 | 0 | 1.27 | 40 |
| MB-1-6.5 | 6.5 | 4.8 | 1.0 | 0.5 | 1.27 | 40 |
| MB-1-7.0 | 7.0 | 4.8 | 1.8 | 0.2 | 1.27 | 40 |
| MB-1-7.5 | 7.5 | 4.8 | 2.3 | 0.2 | 1.27 | 40 |
| MB-1-8.0 | 8.0 | 4.8 | 2.8 | 0.2 | 1.27 | 40 |
| MB-1-8.5 | 8.5 | 4.8 | 3.3 | 0.2 | 1.27 | 40 |
| MB-1-9.0 | 9.0 | 4.8 | 3.8 | 0.2 | 1.27 | 40 |
| MB-1-9.5 | 9.5 | 4.8 | 4.3 | 0.2 | 1.27 | 40 |
| MB-1-10 | 10 | 4.8 | 4.8 | 0.2 | 1.27 | 40 |
| MB-1-11 | 11 | 4.8 | 4.8 | 1.2 | 1.27 | 40 |
| MB-1-12 | 12 | 4.8 | 4.8 | 2.2 | 1.27 | 40 |
| MB-1-13 | 13 | 4.8 | 4.8 | 3.2 | 1.27 | 40 |
| MB-1-14 | 14 | 4.8 | 4.8 | 4.2 | 1.27 | 40 |
| MB-1-15 | 15 | 4.8 | 4.8 | 5.2 | 1.27 | 40 |
| MB-1-16 | 16 | 4.8 | 4.8 | 6.2 | 1.27 | 40 |
| MB-1-17 | 17 | 4.8 | 4.8 | 7.2 | 1.27 | 40 |
| MB-1-18 | 18 | 4.8 | 4.8 | 8.2 | 1.27 | 40 |
| MB-1-19 | 19 | 4.8 | 4.8 | 9.2 | 1.27 | 40 |
| MB-1-20 | 20 | 4.8 | 4.8 | 10.2 | 1.27 | 40 |
| MB-1-21 | 21 | 4.8 | 4.8 | 11.2 | 1.27 | 40 |
| MB-1-22 | 22 | 4.8 | 4.8 | 12.2 | 1.27 | 40 |
| Model No. | H (mm) | B (mm) | C (mm) | D (mm) | P (mm) | Max pins |
|---|---|---|---|---|---|---|
| MB-3-5.5 | 5.5 | 4.3 | 1.0 | 0 | 2.54 | 20 |
| MB-3-6.0 | 6.0 | 4.8 | 1.0 | 0 | 2.54 | 20 |
| MB-3-6.5 | 6.5 | 4.8 | 1.0 | 0.5 | 2.54 | 20 |
| MB-3-7.0 | 7.0 | 4.8 | 1.8 | 0.2 | 2.54 | 20 |
| MB-3-7.5 | 7.5 | 4.8 | 2.3 | 0.2 | 2.54 | 20 |
| MB-3-8.0 | 8.0 | 4.8 | 2.8 | 0.2 | 2.54 | 20 |
| MB-3-8.5 | 8.5 | 4.8 | 3.3 | 0.2 | 2.54 | 20 |
| MB-3-9.0 | 9.0 | 4.8 | 3.8 | 0.2 | 2.54 | 20 |
| MB-3-9.5 | 9.5 | 4.8 | 4.3 | 0.2 | 2.54 | 20 |
| MB-3-10 | 10 | 4.8 | 4.8 | 0.2 | 2.54 | 20 |
| MB-3-11 | 11 | 4.8 | 4.8 | 1.2 | 2.54 | 20 |
| MB-3-12 | 12 | 4.8 | 4.8 | 2.2 | 2.54 | 20 |
| MB-3-13 | 13 | 4.8 | 4.8 | 3.2 | 2.54 | 20 |
| MB-3-14 | 14 | 4.8 | 4.8 | 4.2 | 2.54 | 20 |
| MB-3-15 | 15 | 4.8 | 4.8 | 5.2 | 2.54 | 20 |
| MB-3-16 | 16 | 4.8 | 4.8 | 6.2 | 2.54 | 20 |
| MB-3-17 | 17 | 4.8 | 4.8 | 7.2 | 2.54 | 20 |
| MB-3-18 | 18 | 4.8 | 4.8 | 8.2 | 2.54 | 20 |
| MB-3-19 | 19 | 4.8 | 4.8 | 9.2 | 2.54 | 20 |
| MB-3-20 | 20 | 4.8 | 4.8 | 10.2 | 2.54 | 20 |
| MB-3-21 | 21 | 4.8 | 4.8 | 11.2 | 2.54 | 20 |
| MB-3-22 | 22 | 4.8 | 4.8 | 12.2 | 2.54 | 20 |